Home About us Products Factory Quality Contact us
MANUFACTURES COMPONENTS FOR COOKERS

 

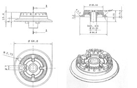
BS003 Gas Burner
The model which has standard flat shape spreader.

We design and manufacture the spreader and cup components of our BS003 and BS005 model auxiliary, semi-rapid and rapid size burners with high standard Ni and Si based special ETIAL aluminium alloys to work in long lifetime with the same elegant appearance of the first day. The cold-pressed steel lids are plated with high corrosion and temperature resistant bright or mat enamel. All of the process stages are controlled with special devices to ensure the maximum quality and safety.
 
Their special brass made injectors are fixed to achive requested heating rates in different gas type usage conditions with high combustion efficiency and low carbon monoxide emmisions. After that they are 100% tested to eliminate any gas leakage possibility by high pressure applying machines. 
 
The safety thermocouples and ignition electrodes can be easly fixed to cups of our burners without using of any extra part. The most of table tops of freestanding or built-in ovens and cooktops are suitable in worldwide to apply our gas burners without any design change.
 

BS005 Gas Burner
The model which has skirt shape spreader.
 
 
 

 

Copyright 2009 BAYPAR METAL
 
 
Designed by R.G.D